產品詳情







JL3-2是為配電自動化行業分界開關控制器 斷路器開關柜控制器專業設計的屏面連接片,具有三大特點:
1,接觸點采用重載連接器的方式設計,表面鍍銀加以處理,有環抱彈性強,接觸電阻小,安全可靠 。
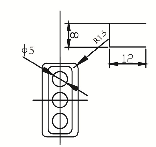
2,體積小,長*寬 *高 22.2*17.8*16.5mm(適合高度是14mm高度的撥碼開關)。
3,斷路操作簡單方便,一看就懂。
4,插拔力達5-6N(插頭在自然重力的情況下不會脫落)






WUK接線端子系列
- 普通接線端子系列WUK
- 三層傳感器端子WDIK
- 試險接線端子WURTK/S
- 刀閘接線端子WUK5-TWIN
- 旋帽式保險端子WUK10-DREHSI
- 刀閘型保險端子WUK5-HESI
- 過電壓保護端子WUK5-DT
- 雙層接地端子系列WUKK-PE
- 雙層接線端子系列WUKK
- 雙進雙出接地端子WUDK-PE
- 雙進雙出接線端子WUDK4
- 一進雙出接地WUK5-TWIN
- 一進雙出端子WUK5-TWIN
- 大電流端子系列WUKH
- 接地端子系列WUSLKG
- 小型雙層端子MBKKB2.5
保護壓板切換片
繼保裝置電流端子
小母線接線端子
JHY1接線端子系列
PCB接線端子系列
光耦合器接線端子
屏蔽接線接線端子
電能表接線盒系列
大電流試驗盒系列
控制柜附件系列
電力連接器系列
導軌TH35-7.5系列
聯系我們
電話:
13813043119
傳真:微信號:zm4806579 QQ:7117060
郵箱: zhangming@njsmwdq.com
地址:南京市浦口區高新技術開發區龍泰路8號龍威產業園3棟2樓












